船用柴油机主轴承振动分析及优化毕业论文
2020-02-19 09:06:01
摘 要
当柴油机在工作时,由于运转所带来的振动问题如若不能及时地得以解决,不仅会影响机器的运行效率甚至会影响到工作人员的人身安全。伴随着航运事业的快速发展,柴油机的研发与应用越来越被人们所重视。主轴承作为一个重要的固定件,同样会因为振动而出现损坏而影响到柴油机整体性能的降低。由此可见,进行“柴油机主轴承振动分析及优化” 研究具有一定的理论意义和实际工程应用价值。
本文地主要内容是有关主轴承振动问题方面的研究,在完成过程中需要用到建模软件和有限元分析软件。利用CAD进行草绘确来定主轴承的尺寸,然后利用Pro/E构建三维模型,再将三维模型导入到Ansys中进行网格的划分后利用Model模块进行自由模态分析和约束模态分析,并针对于分析结果提出一些有利于降低主轴承振动的方案
关键词:船用柴油机;主轴承;振动;三维建模;模态分析
Abstract
When the diesel engine is in operation, if the vibration problem caused by the operation cannot be solved in time, it will not only affect the efficiency of the machine, but also affect the personal safety of the staff. With the rapid development of shipping industry, more and more attention has been paid to the development and application of diesel engine. As an important fixed part, the main bearing will also be damaged due to vibration, which will affect the overall performance of diesel engine. Therefore, the research on "vibration analysis and optimization of main bearing of diesel engine" has certain theoretical significance and practical engineering application value.
The main content of this paper is about the main bearing vibration research, in the process of completion need to use modeling software and finite element analysis software. CAD sketch was used to determine the size of the main bearing, then Pro/E was used to build the 3d Model, and the 3d Model was imported into Ansys for grid division, and the Model module was used for free modal analysis and constrained modal analysis, and some schemes were proposed to reduce the vibration of the main bearing according to the analysis results
Key Words:Marine diesel engine; main bearing; vibration; 3d modeling; modal analysis
目录
第1章 绪论 1
1.1 研究目的及意义 1
1.2 国内外研究现状 2
1.2.1 国内研究现状 2
1.2.2 国外研究现状 2
1.3 研究内容方案 3
1.3.1 研究内容 3
1.3.2 技术方案 3
1.4 本章小结 3
第2章 理论知识和软件介绍 4
2.1 主轴承的相关介绍 4
2.1.1 主轴承的分类 4
2.1.2 主轴承的功用 6
2.1.3 主轴承的工作条件 6
2.1.4 主轴承的材料 6
2.1.5 主轴承摩擦的计算 8
2.1.6 主轴承的型式与尺寸 10
2.2 软件介绍 12
2.2.1 建模软件介绍 12
2.2.2 有限元分析软件介绍 12
2.3 本章小结 13
第3章 主轴承建模与模态分析 14
3.1 主轴承三维模型的建立 14
3.2 划分网格 15
3.3 主轴承模态分析 17
3.3.1 主轴承的自由模态分析 17
3.3.2 主轴承的约束模态分析 21
3.4 本章小结 24
第4章 结论与展望 26
4.1 结论 26
4.2 展望 27
参考文献 28
致 谢 29
绪论
研究目的及意义
船用柴油机由于在船上所需启动时间很短、有着较大的功率范围、安全方便并且在传热有着很高的效率,已经在社会的快速发展和工程应用中有了大规模的实践运行,而且随着未来航运行业的快速发展,柴油机必然会扮演着越来越重要的社会地位,所以对于船舶柴油机的需求也将会朝着大功率、高速、小重量的方向发展,各个国家对柴油机也势必会投入大量的资金与精力去进行深入的研发[1][2]。然而随着研发过程的深入与进行,各国的研究人员发现了一个亟待解决的问题:伴随着柴油机大功率与高速的运行,柴油机的振动现象便会变得显为的明显。过高的振动将会对柴油机的使用寿命产生很大的影响,加剧柴油机各个零部件的损坏,所以在柴油机优化改善的过程中要有效地进行减振处理是一项柴油机研究领域地重点。本文所研究的主轴承则是柴油机极为重要的一个固定件,它不仅起到支撑约束曲轴的作用,还承担着柴油机工作过程中功率稳定的输出。然而在实际中,主轴承的工作环境极为恶劣,在轴瓦的内表面承受着曲轴极大的力的作用,在轴承座底部地脚螺栓的位置也受到极大的固定约束的作用,所以对于主轴承振动方面的研究对于改善整个柴油机工作性能方面有着很大的影响[3-5]。在柴油机的实际工作中,由于曲轴的高速转动,主轴承则会在曲轴作用力的带动下有所变形,反过来在位置有所改变的主轴承的约束下,曲轴的工作轴线可能会有所改变,在这样反复的工作循环中,柴油机的工作状况便会变得极为恶劣[6]。在目前国内针对于柴油机的研究方面,并没有发布出有效的降低主轴承和柴油机机体振动的相关联的研究结论,将二者关联起来进行研究更能在实际中有所应用。
在主轴承进行研究时对轴承进行固定约束和摩擦约束分析柴油机主轴承的振动状况[7],不仅能够模拟出主轴承在自由状态下的振动也能真实的还原出在实际工作中的振动状况。
船用柴油机主轴承是柴油机机体的一个重要固定件[8],它是由轴承盖、轴承座、地脚螺栓、上下轴瓦组成,因为主轴承的稳定对于保证柴油机输出功率的稳定性,所以主轴承在柴油机的实际工作中起着很重要的作用[9]。进行足够多的研究与试验保证主轴承在设计精度和稳定性上的要求才能避免柴油机在实际工作运行中留下安全隐患。
国内外研究现状
国内研究现状
我国由于在轴承领域缺少过硬的核心技术、发展方式和品牌效应,轴承的发展面临着创新研发能力低、管理分散和工业制造水品较低的现实问题。轴承在投入实际的应用之前,通常会进行强度试验判断轴承的好坏,目前主要的轴承强度的校验方法有液压加载方法、谐振加载方法、电磁加载方法、机械加载方法等
液压加载方法是所有实验方法中最为安全稳妥地一种方法,通过将液压力加在主轴承的受力面上进行实验具有很高的实验精度和可控性;谐振加载方法则是在实验前对于轴承的受力面加上一个已知的负荷并对其进行比例放大,但是不能像液压加载方法那样有足够的精度保证;电磁加载方式是在电场力的作用下进行加载,它的稳定可控性则不如液压加载方法;机械加载方法作为种类最多的一种方法可具体分为惯性圆盘加载、摩擦测功器加载、扭板弹簧加载等方法,为了能够在不同的条件下进行实验这种方法巧妙地通过将加载力转换为位移来实现,但是这样一来就不容易控制实验的精度已导致实验结果的偏差,
国外研究现状
国外研究学者蒙留纪[10] 等人通过研究和实验分析得到当柴油机主轴承在巨大的往复力和高温高压的作用下,主轴承的振动特性是容易发生剧烈变化的进而造成轴承负荷分配不均匀出现磨损、裂纹现象的。此时,如果不对主轴承采取有效措施,整个曲轴系甚至整个机体都将会产生很大的损坏。当检测到主轴承发生振动时,需要对主轴承进行进一步的观察与分析,通过实验数据的对比观察主轴承在稳定的工作状态下与非在稳定的工作状态下的差异并对实验所得的特征值进行分析总结主轴承振动的主要振型和原因。
变分模态分解[11]由Dragomiretskiy在2014年提出的一种振动信号处理方法, 不同于以往EMD、LMD[12]等信号的处理方法, 它是将捕获的信号根据频域的不同进行区分归类和处理,这样的处理方法可以有效地抑制了EMD等方法的模态混叠和端点的效应现象[13]。。
世界上许多国家早已经在上世纪八十年代就开始大范围的对柴油机机体以及各个重要部件进行加载试验以避免因为空载实验分析而不能发现在实际应用中所能遇到的问题,这样进行实验更能贴近于实际的工作情况,能够有效的提高柴油机在实际应用中的可靠性。进行柴油机的加载试验能够更加准确全面的评价柴油机的生产质量及其安全性能[14][15]。现已经得出的结论,柴油机的振动主要来自于两个方面,一方面来自于气缸的撞击,另一方面则来自于曲轴在工作中高速往复的转动。此外,柴油机的振动还与柴油机的运行工况、机型、机身冷却和润滑状态有关。在分析柴油机的运行工况时,主要的参数为转速和负荷,在其他运行参数不变时,不论是当负荷不变转速升高还是转速不变负荷升高,都会加剧轴承机体的振动[16][17]。柴油机由于型号的不同,机体和零部件的结构和尺寸也会有所不同,所以当在工作中,不同柴油机所表现出来的振动特性也是不同的;机体的冷却和轴承的润滑状态[18],柴油机在实际工作中,当转速和负荷增大时不仅会加剧机体的振动,机体和部件的温度也将会升高,如果没有对温度升高的部位进行及时的冷却润滑,零部件之间将会产生胶合的现象甚至会出现重大的安全事故。综上所诉,利用Ansys有限元分析软件[19][20] 根据柴油机在模态实验和约束实验的情况下分析柴油机振动的原因进行分析及优化不仅具有理论研究意义同样具有很高的实际应用价值。
研究内容方案
研究内容
主要完成船用柴油机的发展状况及工作特性、船用柴油机主轴承工作原理及振动机理分析、利用三维建模软件Pro/E建立船用柴油机主轴承几何模型、利用Ansys软件进行网格的划分和模拟自由状态和约束状态的振动分析,并将分析所得的数据进行对比分析主要参数为频率、变形量和振型,根据仿真结果分析船用柴油机主轴承的振动分析并找出优化解决的技术方案。
技术方案
- 首先要确定主轴承的结构、尺寸、型号和材料等属性;
- 先利用CAD进行草绘得出尺寸再用Pro/E软件进行三维实体建模;
- 将软件导入到Ansys有限元分析软件中,进行网格的划分;
(4)将划分后的有限元模型导入到Model模块中,先进行自由模态分析记录数据后再加上固定约束和摩擦约束进行约束模态分析,记录主要特征参数。并通过对比试验数据找到振动的原因和针对措施。
本章小结
本章主要对研究主轴承振动的目的和意义进行了讲解和说明,对近些年国内外轴承振动方面的研究进行了小结,并给了本篇论文所要研究的内容和一个大体的技术方案,为整篇论文确定一个大致的走向。
理论知识和软件介绍
主轴承的相关介绍
主轴承的分类
在正常的工作运行中,主轴承用不仅可以用来保护曲轴在固定的工作空间内旋转,同时也保证柴油机稳定的动力输出。主轴承属于滑动轴承,滑动轴承有四大类为滑动轴承、部分式滑动轴承、调心式滑动轴承和推力滑动轴承。
(1)整体式滑动轴承 整体式滑动轴承的结构较为简单,它是将轴套直接装入到机体或者在轴承座上的轴承孔内,并用地脚螺栓将其固定。因为结构简单所以容易对其进行统一规定;缺点是由于整体式的结构,当内部发生磨损时不能够进行维修和小部件的更换只能整个轴套进行更换,这样不仅维修不便代价也较高而且也会对使用范围有所限制。整体式滑动轴承结构如图2-1所示。
图2-1整体式滑动轴承
(2)剖分式滑动轴承 剖分式滑动轴承的结构相比于整体式更为合理适用范围也更加广泛,它是由轴承座、轴承盖、轴瓦和连接螺栓组成。轴瓦分为上下轴瓦,轴瓦内表面作为重要的接触面直接与曲轴接触在巨大往复力的作用下,当发生损坏后可通过拆分进行更换并且可以通过垫片进行适当的调整。部分式滑动轴承结构如图2-2所示。
图2-2部分式滑动轴承
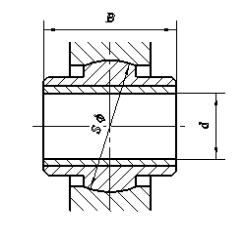
(3)调心式滑动轴承 调心式轴承的结构相比于整体式、部分式轴承更为灵活,当曲轴发生偏斜时,它可以利用球面来自动的调整轴套的位置。虽然调整方便,但调心式轴承有特定的适用范围当轴颈较宽(宽径比B/d>1.5)、变形较大或不能保证两轴孔轴线重合时,此时采用调心式轴承较适合。

图2-3调心式滑动轴承
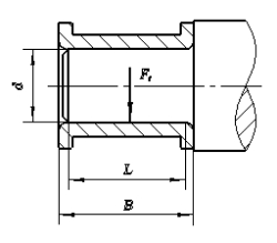
(4)推力滑动轴承 推力轴承的结构主要为推力轴、推力环、正倒车推力块和推力盘,当柴油机的输出功率很大时,轴承座将会和机体连接成一个整体。推力轴承的轴颈有多种,如实心断面止推轴颈、空心断面止推轴颈、环状轴颈和多环轴颈。当轴承所承负荷较大时一般采用多环轴颈,因为工作情况较差实心断面止推轴颈一般很少用,反之空心端面轴颈和环状轴颈工作情况则较好。
|
图2-4推力滑动轴承
主轴承的功用
主轴承的功用不仅用来对曲轴起到支撑作用,还用来将曲轴约束在一定的工作轴线内保证曲轴不发生偏移保证功率的稳定输出。主轴承的稳定对于曲轴系乃至整个机体而言都是至关重要的。
主轴承的工作条件
主轴承在实际工作中有着恶劣的工作环境,它不仅要承受由于曲轴高速转动所带来的作用力还有与曲轴之间的动摩擦力,因为在材料属性的选取上曲轴的强度是要优先于轴承的,所以在长时间大负荷的工作后轴瓦是很容易过度磨损的,由于过度的摩擦还会产生大量的热,轴承过热后不能及时的进行冷却会影响主轴承的性能与运行的安全。主轴承在工作中,由轴颈带动的一些硬的颗粒物会进入到轴承合金中,大的颗粒物则会划伤工作表面造成划痕甚至会形成带状划痕;由于轴承在长期的往复力的作用下,容易形成小的裂纹甚至会发展成轴承合金的脱落而使轴承失效;因为液体润滑的存在,滑油在力的作用下会析出空气迅速将金属表面穴蚀;如果滑油在工作中参杂其他酸性杂质后极易发生腐蚀,不仅不能对曲轴起到约束作用严重时会危害到机体的运行安全和人身安全。主轴承在损坏之后会影响活塞在气缸内的工作严重时会敲缸和拉缸现象,对主轴承的要求是,要有正确而且固定的位置和要有足够的刚度。在工作温度下有足够的热强度和热硬度 , 有较好的抗腐蚀能力,有减磨性和耐磨性,能够均匀地分布滑油和散走摩擦热量。另外还要求维护管理方便 。
主轴承的材料
轴承材料是指与曲轴工作面直接接触的轴瓦和轴承套所需的材料。对其材料的主要要求是:有足够强的刚度、疲劳强度、抗腐蚀能力、耐磨性、顺应性和足够好的工艺性。
但在现实中并不能找到一种材料同时满足那么多的属性,所以在设计制造时给轴承选取材料时要进行综合考虑,按照对比后的结果进行选择。工程中经常使用的轴瓦材料如表1所示。
表1相关的轴瓦材料
轴承材料 | 最大许用值 | 最高工作温度
| 最小轴颈硬度 HBS | 性能比较 | 备 注 | ||||||
[p] MPa | [v] m/s | [ MPa· 以上是毕业论文大纲或资料介绍,该课题完整毕业论文、开题报告、任务书、程序设计、图纸设计等资料请添加微信获取,微信号:bysjorg。 相关图片展示:
您需要先支付 80元 才能查看全部内容!立即支付
课题毕业论文、开题报告、任务书、外文翻译、程序设计、图纸设计等资料可联系客服协助查找。 最新文档
联系我们加微信咨询
加QQ咨询
服务时间:09:00-23:50(周一至周日) | |||||||||


]





