油船锅炉燃烧控制系统设计毕业论文
2020-02-19 09:14:40
摘 要
Abstract 5
第1章 绪论 6
1.1 背景 6
1.2 国内外发展现状及意义 6
1.3 本文的主要工作 8
第2章 油船锅炉自动控制的组成 9
2.1 油船辅锅炉水位自动控制 9
2.1.1油船辅锅炉水位自动控制的特点 9
2.1.2 油船辅锅炉水位自动控制系统的组成及工作原理 11
2.2 油轮辅锅炉蒸汽压力自动控制 14
2.2.1 蒸汽压力控制的特点 14
2.2.2 油船锅炉蒸汽压力自动控制系统的组成及工作原理 15
2.3燃烧时序控制 16
2.3.1 辅锅炉燃烧时序控制系统的功能 16
2.3.2辅锅炉燃烧时序控制系统的常用元部件 17
2.4安全保护系统 19
2.4.1汽压过高保护 19
2.4.2危险低水位保护 19
2.4.3炉膛熄火保护 19
第3章 PLC系统概述 20
3.1 PLC 的产生和发展 20
3.2 PLC系统的组成 20
3.3 PLC系统的特点 21
第4章 PLC系统控制的油船锅炉燃烧时序控制设计 23
4.1 系统组成 23
4.2系统功能 24
4.3 基于西门子S7-200 PLC锅炉的燃烧控制 25
4.3.1.PLC的CPU型号及其输入输出通道分配 25
4.3.2 基于西门子S7-200 PLC 锅炉程序控制设计 27
4.4.1.起动前的准备 31
4.4.2.燃烧的时序控制 31
4.4.3停炉程序设计 32
4.5锅炉燃烧系统安全保护程序设计 34
第5章 总结与展望 35
5.1本文主要研究内容 35
5.2 工作展望 35
致谢 36
参考文献 37
摘要
随着现代化船舶的不断发展,世界各国对于船舶动力设备(主机、辅机、锅炉等)的研究力度不断加大,同时随着各个国家对自然的资源的不断开采,人们对于能源的需求也是越来越大,在这种大环境下,使得现代化油轮不断朝着大型化和节能方向发展。因此,在这种大型油船上对于蒸汽的使用越来越多,但是对于大负荷量的锅炉要求也越来越高。
在本文中首先对油船锅炉自动控制的组成进行了介绍,并且介绍了各个控制系统的控制对象和目标。并介绍了传统锅炉对于水位自动控制、蒸汽压力自动控制的特点及工作原理,然后介绍了燃烧时序控制的功能以及控制过程。本文对锅炉的燃烧时序控制先做了系统的介绍,分析了系统的组成和功能。然后设计基于PLC系统的锅炉燃烧时序系统控制,对锅炉启动前准备、燃烧过程的时序控制、停炉程序进行设计,另外对锅炉的燃烧系统保护程序也做了设计,对该系统的硬件和软件程序分别做了相关的设计。
关键词:油轮辅锅炉;自动控制;可编程序控制器
Abstract
With the continuous development of modern ships, the research on ship power equipment (main engines, auxiliary engines, boilers, etc.) in various countries is increasing. At the same time, with the continuous exploitation of natural resources in various countries, people's demand for energy is also increasing. Under such a large environment, modern oil tankers are continuously developing towards large-scale and energy saving. Therefore, steam is used more and more on such large oil tankers, but the requirements for boilers with large loads are also higher and higher.
In this paper, the composition of automatic control for oil tanker boilers is first introduced, and the control objects and targets of each control system are also introduced. The characteristics and working principle of the traditional boiler for automatic control of water level and steam pressure are also introduced. Then the function and control process of combustion timing control are introduced. In this paper, the combustion timing control of the boiler is first introduced systematically, and the composition and function of the system are analyzed. Then design the boiler combustion timing system control based on PLC system, design the boiler preparation before start-up, timing control of combustion process and shutdown program, and also design the boiler combustion system protection program, and design the hardware and software programs of the system respectively.
Key words: Tank Boiler;Automation Control;PLC
第1章 绪论
1.1 背景
在1785年,瓦特第一个完成对蒸汽机的改造工作,一种极为方便的动力介质来源-蒸汽席卷了整个工业社会。便捷的蒸汽动力在很大程度上促进了机械制造业而不是手工业的发展,这是推动工业革命发展的根本原因。同时,它也引领人类社会从传统手工业时代进入到“蒸汽时代”。在1807年,一位名叫富尔顿的美国轮船设计师设计了人类历史上第一艘蒸汽动力“克莱蒙特”号轮船。这艘以蒸汽作为动力的船舶性能相对可靠。它是世界上最早的常规船舶航行,从而确立了船舶在整个运输业中不可动摇的地位。与现代船舶相比,早期船舶在速度、耐久、排水量、承载能力或船舶本身的主要设备和辅助设备等方面都比较粗糙。但正是因为这些早期的轮船及其制造商,才引发了一场以轮船制造技术为主导的工业革命,开启了人类航运史的新序幕。
在以内燃机为动力的现代船舶上,蒸汽生产和利用装置的运行和管理仍然是一项至关重要的任务。锅炉是实现能源形式和载体转换的主要设备之一。同时,作为船舶装备中最重要的核心单元,随着生产和生活的需要,它正朝着高温、高压、大容量的主要方向发展。锅炉的安全性能和运行性能直接影响其他部件的安全稳定性。随着工业化的不断发展和航运业服务领域的不断扩大,船舶装备结构也不断地向着专业化方向发展。
大型油轮是一种特殊的运输船,主要用于装载和运输液体货物。对于油船来说,安全性是至关重要的,由于对安全的要求越来越高,对油轮的机械设备和操作规程的要求比其他类型船舶的要求更为复杂和全面,其中以燃油辅助锅炉系统最具代表性。为了保证货油和燃料油的流动性能够满足要求,需要对货油和燃料油进行加热以方便驳船,同时汽轮发电机的电源也来自蒸汽系统,这对油轮的辅助锅炉系统有很大的要求。锅炉要求蒸汽蒸发量大,蒸汽质量好,蒸汽压力相对稳定,自动控制系统完善。随着科学技术的飞速发展,人们对物理过程的探索越来越深入,特别是计算机技术和网络信息技术的飞速发展。可编程控制器(PLC,Programmable Logic Controller)在各个行业和领域中的应用,其独特的优势越来越明显,正在迅速形成一种新型的科技生产力。PLC技术的引入,逐渐地改变了人们对于现代船舶的认识,同时,也为船舶领域的发展产生了强大的推动力。
1.2 国内外发展现状及意义
随着全球经济一体化的迅猛发展,各国之间的贸易量激增,而近90%的贸易额都是通过现代化船舶进行运输的。根据ISL组织统计,到2017年7月1日之前,世界商船队的船只拥有量至少为50064艘,而船舶在海洋航行过程中对海洋环境和大气环境所造成的各种污染越来越被全球所重视,各种针对防污的规章制度也随之而出,为了减少船舶排放的各种有毒有害成分对海洋大气环境的污染,国际海事组织(IMO)于1997年9月15日至26日在总部伦敦召开了具有划时代意义的MARPOL 73/78缔约国大会,会议中确立了一项新的附则,即MARPOL 73/78附则Ⅵ:《防止船舶造成大气污染规则》。
对于目前正在运营中的油轮锅炉控制装置基本上采用的都是的继电接触型控制。传统的控制系统采用串联式或并联式的继电器触点的接通或者断开来实现各种逻辑控制,这种逻辑控制的特点为多触点且线路复杂,尤其在锅炉点火控制是要求具有严格的时序定时作用;在这种继电器中最常用的还是多回路式或者凸轮式的传统机械时间继电器。然而,由于船舶工作环境的特殊性,机舱中的工作环境极度不良:摇晃剧烈、振动噪声大、环境温度高、空气湿度大、油雾、盐雾、各种细菌等。锅炉在运行过程中,如果触点维护不当,容易发生控制逻辑错误和故障的情况,从而引发锅炉熄火和停机的状况,控制触点容易因为磨损或机械部件动作受到影响或由于磨损严重导致触点抖动或不良接触而产生错误。如果大型油轮采用汽轮机作为发电机,这种情况下如果出现熄火或者停炉的状况将会严重影响到船舶运行的安全。传统的继电器触点控制系统具有体积小、能耗大、触点通断噪音大、电弧高、故障率高、可靠性低、维护工作量大等特点。
船舶机舱中继电器的工作环境恶劣,所以对其运行的安全可靠方面有很大的影响,而PLC技术的对工作环境的要求不高,其应用受到内部环境影响不大。它的输入和输出不是由线路连接的,而是利用程序信息进行连接,以便于发生错误时更加便捷的修改,而且由于动作接触是非物理的“接触”,没有传统继电器通断的电火花产生,更加安全,方便操作。在PLC的内部,晶体振荡器产生了时间基数,定时起点低,可设定最低控制时间从1ms开始,控制精度高,受工作环境的影响小,对于锅炉点火的正时控制相当适用。并且能够避免定时器因为刻度盘的松动造成的接触不良和定时紊乱的影响,降低发生故障的概率。此外,PLC还具有PID控制功能、通讯功能,能够构建一个良好的人机界面,实现更完善的人机交互功能。
随着社会的进步和科技的不断发展,新的高科技产品不断地推陈出新,这不仅仅在我们的生活中有体现,而且这种科技更替同样出现在了船舶这一交通运输行业中。据有关部门统计,船舶锅炉的程序化控制也跟随着时代的潮流不断地在改进,依托着新兴网络技术的发展,国内外大多数新型的船用辅锅炉的控制系统也发生了天翻地覆的变化,由原来的单个控制系统转变为现在的五大独立控制系统:燃烧控制系统、炉膛负压控制系统、给水控制系统,蒸汽温度控制系统、空气预热器冷端温度控制系统。
锅炉这个设备是最早实现船舶动力自动控制的设备之一,自20世纪50年代初以来,人们就开始朝着对锅炉水位和燃烧程序自动控制的方向不断地进行研究和发展。
本文目的就是通过应用PLC技术,能够精确控制锅炉点火时序,精确调整对锅炉燃烧风油比的控制,并对风机、泵的电运行进行软起动和无级变速,从而达到对了锅炉蒸汽压力和锅炉给水控制的自动调节,取代传统继电器在控制系统中的作用,提高锅炉点火系统、燃烧系统和给水系统的操作性、可靠性和安全性,更加方便船员对锅炉时时状况的了解和监测,并做好相应的控制操作,使之能够安全、可靠、高效地完成锅炉的相关营运工作。
1.3 本文的主要工作
现阶段,船东已经广泛认可了锅炉的PLC控制技术,这种技术不仅能够提高锅炉的燃烧效率,而且可以提高船员对锅炉的管理水平。利用查阅查阅相关资料对船舶锅炉的控制现状进行了初步调查,并且了解了PLC在现代船舶控制中的应用情况。学习德国西门子的PLC S7-200系列的硬件结构和编程语言进行了初步的了解和学习,初步掌握了S7-200主要特点和编程方法。对大型船用锅炉的燃烧控制系统进行了深入的研究,并且在此基础上设计了一套针对于油船锅炉燃烧控制的系统。本文主要内容如下:
首先介绍了油船锅炉发展的背景、国内外的发展现状及意义。然后介绍了油船辅锅炉自动控制系统的组成、各部分的控制对象和控制目标。其次详细介绍PLC的原理及特点。之后编写基于PLC的油船辅锅炉的燃烧控制系统软件设计,设计硬件系统连接。最后对本文内容进行总结。
第2章 油船锅炉自动控制的组成
2.1 油船辅锅炉水位自动控制
2.1.1油船辅锅炉水位自动控制的特点
辅锅炉航行工作期间,炉水中有大量汽泡存在,水中的空气在锅炉中的受热而膨胀,附着在锅炉的受热面上,形成汽泡,然后受到浮力的作用从受热面进入到锅炉水面上方的蒸汽室中。锅炉的运行的蒸发量和蒸汽汽压的变化量决定了水面之下的蒸汽总量的变化,通过各种研究发现蒸汽的蒸发量与蒸汽的汽压的变化关系呈反比例变化,而与水面之下的蒸汽容积总量的变化关系呈正比例变化,因此,当锅炉的运行状态是处于相对稳定的工况的状态下,水面之下蒸汽总容的变化量和锅炉里面水位高低的变化量有关。当运行中的锅炉处于过渡工况的情况下,炉内水位高低的决定量不但受到水面以下所含蒸汽容积总量变化的影响,而且还受到锅炉当中水的蒸发量和给水量的影响。由于锅炉在正常运行过程中,锅炉中水的温度与此时锅炉压力下所产生的饱和蒸汽温度相接近,在这种情况下,如果锅炉的负荷在运行过程中突然在短时间内发生巨大的改变,这种情况下锅炉的水位变化是根据蒸汽容积的改变量来决定水位的变化。如果需求的蒸汽量突然加大,这时蒸汽流量就会突然增大,而锅炉当中的燃烧变化还来不能及时伴随着蒸汽流量的增加而变化,因此锅炉内部气压就会降低,导致炉内蒸汽饱和温度的实际值也伴随着蒸汽气压的降低而降低,因此,这种情况反而增大了水面下的蒸汽比容,同时,更多的汽泡由于炉水变成过热水被排放到水面上方的蒸汽室中,同时水面以下的蒸汽容积增大,这种现象就被定义为虚假水位[1]。
(1)锅炉水位的双冲量控制
单冲量水位控制就是依据锅炉的水位的实际情况,改变给水阀6开度大小的自动控制系统。单冲量水位控制系统在所有的锅炉连续给水自动控制系统中是属于最为方便、构造最为简单的一种控制方式。如果锅炉的给水系统只采用单冲量水位控制,那么当发生锅炉内部蒸汽汽压较高伴随着锅炉的负荷(也就是蒸汽流量)突然发生剧烈的变动且幅度较大、炉水的容积相对于正常水位较小的情况,这时短时间内就会产生虚假水位,造成蒸汽流量的输出量与给水量的输入量相差较大,使得炉内的水位不断降低。此时,如果系统对水位的控制方式采用双冲量的水位控制,那么就可以有效地预防虚假水位的发生,从而保护锅炉的正常运行,增长了锅炉的使用寿命。双冲量的水位控制原理如图2.1所示。

图2.1 双冲量给水控制原理图
双冲量水位控制的检测装置有两个:第一个检测装置是实时检测监控锅炉中水位是否发生变化及变化量的水位冲量信号3;第二个检测装置则是能够实时检测锅炉负荷及炉内蒸汽流量是否发生变化的蒸汽流量冲量信号4。而双冲量调节器5能够对两个检测信号装置所发出的冲量信号进行接受和处理。蒸汽流量变化的冲量信号采用的是前馈信号的方式,采用这种前馈控制能够显著的提高控制的效果,而对于扰动的变化量与蒸汽流量的冲量信号的变化成比例,因此,前馈控制极大的提高了控制器控制作用的控制灵敏度,能够在在扰动发生的第一时间发出一个针对给水阀的控制信号。对于传统锅炉所采用的双冲量给水自动控制系统,当锅炉中水面上方的蒸汽流量变化时,检测装置4就会产生扰动信号,并把这个信号发送到双冲量调节器中,调节器就会同时对给水流量和蒸汽蒸发量进行相应的同方向的调节,这时就会使得调节阀的开度也产生相应的变化,减小因为蒸汽流量所发生的急剧变化而带来的给水量和水位变化所造成的影响,这种控制在一定程度上极大的降低了给水阀收到动作信号所需的调节时间,改善了单冲量水位控制系统对于虚假水位情况的不足[2]。
现在大多数的船舶辅锅炉基本上都采用的是单冲量或者双冲量的水位控制系统,而船用主锅炉基本都不采用单冲量的,都使用双冲量或者三冲量(除了水位和蒸汽流量冲量信号,还有给水量的冲量信号)的给水调节器。
(2)水位自动控制系统中的双回路给水控制
油船锅炉给水系统一般的给水方式是用汽轮机的给水泵将要输送进锅炉的水从热水井中抽调出来,经过给水调节阀将在将水输送进锅炉。而经过的调节给水阀的开度大小控制了给水量的大小,因此,给水阀输送的给水流量G的大小与给水阀的前后压差Δp的变化和给水阀的横截面积F有关,它们之间的变化关系如(2.1)所示:
(2.1)

在(2.1)式中,μ称为流量系数,它是一个固定值(由给水系统确定μ的大小)。从上式可知,给水流量G与给水阀的流通面积F成正比例关系,只有在给调节水阀的前后压差Δp 保持不变的条件下,式2.1中的关系才能成立。给水调节阀的开度在一定程度上就是改变了给水阀给水流量的流通面积F。对于汽轮机的给水泵,蒸汽调节阀开度与给水泵的排量大小有关,但是与给水调节阀的开度大小无关,因此,每次有给水泵泵入锅炉的给水量也是固定的,基本保持在固定的范围内,所以只通过调节给水阀的开度就不能达到控制给水量的目的。因此,锅炉的水位连续自动控制系统还应该增设一个能够控制给水阀使其前后压差Δp固定为一个定值的给水差压控制回路。通过双回路给水压差控制系统回路的调整,给水量G与给水阀的开度F整体呈现一个比例关系变化的情况。此控制原理如图2.2所示。

图 2.2双回路水位控制系统工作原理
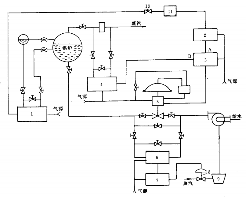
2.1.2 油船辅锅炉水位自动控制系统的组成及工作原理
以上是毕业论文大纲或资料介绍,该课题完整毕业论文、开题报告、任务书、程序设计、图纸设计等资料请添加微信获取,微信号:bysjorg。
相关图片展示:







课题毕业论文、开题报告、任务书、外文翻译、程序设计、图纸设计等资料可联系客服协助查找。
