10吨塔式起重机旋转机构电气系统设计毕业论文
2020-02-25 22:47:47
第1章 绪论
1.1 设计目的及意义
中国的塔机行业于20世纪50年代开始起步,相对于中西欧国家由于建筑业疲软造成的塔机业的不景气, 中国的塔机业正处于一个迅速的发展时期。
塔机分为上回转塔机和下回转塔机两大类。其中前者的承载力要高于后者,在许多的施工现场我们所见到的就是上回转式上顶升加节接高的塔机。按能否移动又分为:走行式和固定式。固定式塔机塔身固定不转,安装在整块混凝土基础上,或装设在条形式X形混凝土基础上。在房屋的施工中一般采用的是固定式的。
本次设计的意义是设计出一套结构简单、实用性强的旋转机构电气系统设计的方案,并能满足生产和加工的需要。轮式起重机按其性能可分为轮胎起重机、起重机、全路面起重机。起重机主要由底盘、主起重臂、副起重臂、转台、支腿、回转机构、起升机构、变副机构、液压系统、电器系统等组成。起重机在中国有着巨大的市场,在工程、建设、运输等行业中扮演着不可或缺的角色。中国的起重机发展历史并不长,尽管发展速度比较快,但与国际先进水平相比其差距还是非常大,而中国起重机市场在加速扩大,虽给中国起重机技术的发展带来活力与生机,但是中国与国际产品技术水平比较仍有很大的差距,在技术上中国起重机行业技术工作者应该提高技术水平,以期能在最短的时间内赶超国际水平。进一步推动中国的起重机行业在世界中的的影响力。
1.2 发展现状及趋势
与其他行业的机械电气转动系统一样,10吨塔式起重机电气传动系统经历了直流发电机-电动机(G-M);晶闸管—直流电动机(SCR-M)的直流电动机调速系统和异步电动机的变极调速;绕线型异步电动机转子串电阻调速;调压调速;转差电动机调速;串级调速的发展过程。众所周知,直流电动机有换向器和电刷,维护保养麻烦,价格也昂贵,容量上也受到一定限制。而上述的几种异步电机调速分别存在能耗大、调速范围有限、功率因数低、不能在大功率中应用等缺点[1]。
中国在1957年生产第一台5t机械式起重机到现在己有50年历史,它的生产大致经历了以下几个阶段:1957~1966年以生产5t机械式起重机为主;1967~1976年以生产12t以下小型液压起重机为主;1977~1996,16~50t中大吨位液压起重机产品发展较快。
自1979年开始,中国采用进口底盘和关键液压件自行设计生产出了6t、20t液压起重机之后,国内一些起重机生产厂家采用技贸结合方式,分别引进日本多田野、加藤、美国格鲁夫和德国利勃海尔、克虏伯的起重机产品技术,以合作生产的方式相继制造出25t、35t、45t、50t、80t、125t汽车起重机和25t越野轮胎起重机以及32t、50t、70t全路面起重机。这些企业经过多年来对引进技术的消化、吸收、移植,使国产轮式起重机某些新产品的性能水平达到了国际80年代初的水平,产品产量也逐年有所提高。
但在国内,交流变频调速在起重机特别是大吨位起重机上的应用还刚起步,原因是作为起重机核心机构的起升机构其位能性负载特性和使用安全性的需求使一般通用变频器在性能上不能满足要求。低频时能否达到恒转矩输出;空中是否溜钩等问题一直是起重机起升机构使用变频调速的难点,还有起升机构重载下放时其再生制动能量是消耗在制动电阻上还是回馈回电网,这些一直都给起重机使用全变频调速控制系统带来困惑。近年来,矢量控制变频器的出现给起重机能否安全使用变频调速技术带来了生机,国外、国内各大专业电气公司也都在致力于这方面的开发和研究,因此,怎样使矢量控制变频调速技术用于起重机电气传动,实现四象限运行,保证起升机构各种工况要求和良好的低速就位性能,对推动港口机械电气控制与调速系统的更新换代,具有非常实用的意义。
1.3 本文的主要内容
论文首先对10吨塔式起重机进行了简要的介绍;接着对交流电动机变频调速的原理进行了分析分析;最后,详细介绍了10吨塔式起重机变频调速系统的设计及实现,并对所设计的系统进行了仿真。论文的主要研究内容如下:
1、分析原有10吨塔式起重机交流电动机转子串电阻调速系统电控原理图,设计出符合原有起重机需求的交流变频调速系统原理图。
2、确定10吨塔式起重机交流变频调速系统各部分主要元器件的选型,以满足10吨塔式起重机的工作要求。
3、完成系统的软硬件设计后,对整个调速系统进行仿真,验证其逻辑的合理性。
10吨塔式起重机是一种用来起吊、放下和搬运重物,并使重物在一定范围内移动的起重、搬运设备。10吨塔式式起重机的工作机构分为起升机构、变幅机构、旋转机构、行走机构四部分。论文主要以10吨塔式起重机行走与旋转机构电气控制系统为例,详细介绍了其变频调速系统的设计,包括电动机的选型、变频器的选择、附加配套设备的选择、系统的主电路原理图、制动单元和制动电阻的选择、可编程控制器的选用等。
第2章 10吨塔式起重机概述
2.1 10吨塔式起重机简介
塔式起重机(tower crane),简称塔机或塔吊,为什么叫塔式起重机呢?因为早期的塔式起重机设样子设计的像铁塔,因而得名为“塔式起重机”。现代的塔机除了塔身钢构件,已经很难看出铁塔的样子了。 塔式起重机很多人都见过了,网上也有一些,但有误区,大家都把建筑塔机和塔机搞混淆了。我们常见的是房屋建筑中的建筑塔机,故有建筑吊之称。建设部原来出了一个规范《塔式起重机分类》
(JG/T-5037-1993),又帮着大家把概念搞得更乱了,要知道,建筑塔机只是塔式起重机其中的一个分支,而且分类方法不是很严格。就好比我们日常中说吃点肉,这个肉多半是指猪肉,但肉的种类很多,你可以说猪肉是肉,但不能说肉就是猪肉。
塔机的种类也很多,若按有无行走机构分,有固定式和运行式;若按塔身结构划分有上回转式、下回转式、自身附着式三类;若按变幅方式划分,有小车变幅式、动臂变幅式和折臂变幅式三类;若按起重量划分,有轻型、中型与重型三类。塔式起重机具有适用范围广、起升高度高、回转半径大、工作效率高、操作简便、运转可靠等特点,正因为如此,在各个领域应用广泛。
本来要援引《塔式起重机分类》(JG/T-5037-1993),但考虑到作为建筑行业的行业标准,该标准仅适用于建筑塔式起重机,其他行业的塔式起重机并未参照该标准。因此,我们还是从广义的塔式起重机范围。
10吨塔式起重机又简称为门吊、门机,是电力驱动、有轨运行的臂架类起重机之一。它的构造大体上可以分为两大部分:上部旋转部分和下部运行部分。上部旋转部分安装在一个高大的门形底架(门架)上,并相对于下部运行部分可以实现360°任意旋转。门架可以沿轨道运行,同时它又是起重机的承重部分。起重机的自重和吊重均由门架承受,并由它传到地面轨道上。10吨塔式起重机正是由此门形底座而得名的。10吨塔式式起重机如图1-1所示。

图1-1 10吨塔式起重机
2.2 10吨塔式起重机的工作机构
2.2.1 起升机构
任何起重机械都是依靠起升机构升降货物的。起升机构是起重机不可缺少的工作机构,没有它就不能称其为起重机。起升机构是最重要的机构,并且它的工作好坏将直接影响到整台起重机的工作性能[2]。:
起升机构工作原理:电动机通过联轴节与减速器的高速轴相连。机构工作时,减速器的低速轴带动卷筒,将钢丝绳卷入或放出,经过滑轮系统,使吊钩实现上升或下降。机构停止工作时,制动器使吊钩连同货物静止在空中,吊钩的升降靠电动机改变转向来转换。
2.2.2 变幅机构
在起重机中用来改变复读的机构称为变幅机构,根据工作要求的不同,变幅机构的主要作用是:
(1)通过改变幅度来改变取物装置的工作位置,以实现起重机起重能力的调整,或者装卸路线的调整,或者提高非工作状态下的起重机通过性能。
(2)通过改变幅度来扩大起重机的作业范围,与起升、旋转机构协同工作,使取物装置的工作范围形成一环形工作空间,以提高起重机的生产率,改善其工作性能。
为使臂架绕其铰轴摆动来改变起吊货物的位置,就必须有一套专门的驱动机构。根据变幅机构工作性质和要求不同,出现了多种传动机构,如齿条、螺杆螺母、液压等。
2.2.3 旋转机构
旋转机构是用来支承旋转部分重量,并驱使旋转部分相对于不旋转部分做旋转运动的工作机构。它的作用是使被起吊的货物围绕起重机的旋转中心做旋转运动,以达到在水平面内运移货物的目的。旋转驱动机构是用来实现起重机旋转部分相对于不旋转部分转动的动力和速度的传动装置。这种装置能满足起重机低速正反转、制动平稳、安全可靠的要求。从受力方面考虑,旋转驱动机构必须克服如下阻力矩:一是旋转支承装置中的摩擦阻力矩;二是风阻力矩;三是由道路坡度或浮船倾斜造成的旋转阻力矩。
2.2.4 运行机构
在装卸作业中,往往要求起重机能够调整工作位置,改变工作地点,以扩大作业范围,提高装卸效率。因此,在起重机中通常都装有运行机构,运行机构的任务是使起重机做水平运动。运行机构按照结构特点分为无轨运行机构和有轨运行机构两大类。港口装卸用10吨塔式起重机运行机构均为有轨运行机构。有轨运行机构起重机可沿着铺设的钢轨上运行。 由于这种运行机构的车轮和轨道都是钢铁制成的,故其运行阻力小,承载能力大,结构紧凑。尽管与无轨运行机构相比较工作范围受到轨道的限制,但是仍是港口起重机的主要运行形式。
2.3 10吨塔式起重机工作流程
10吨塔式式起重机作为港口码头前沿主要装卸件杂货及干散货船的设备,是通过起升、旋转、变幅机构联合动作完成货物搬运的,并且可以通过下部行走机构调整至合适工作位置。10吨塔式式起重机可带载作水平位移变幅和任意角度旋转,分析其工作流程如下:空钩下降到货物上方,与货物挂钩,起重机满载提升至能够移出船舱高度制动,改变臂架伸出水平幅度至避开舱盖位置制动,做臂架旋转至卸货方向制动,同时臂架改变水平幅度至车皮卸货上方制动,满载下降到车皮内制动,货物摘钩,空钩上升至进入船舱高度制动,旋转至一定位置制动,改变幅度待卸货物上方制动,空钩下降至货物上方制动,一个工作循环结束[3],
2.4 10吨塔式式起重机对电气控制要求
采用先进的电控系统。起升、变幅、旋转、运行机构均采用变频调速,调速性能优良,起、制动运行平稳、快速。应用 PLC 集中控制和检测,PLC 输入输出扩展接口应该留有余量,以备维护和扩展。
起升机构采用闭环控制,有吊钩和抓斗两种工作模式,由两个电机牵引两组起升钢丝绳实现开闭斗,从而实现抓取或释放物料,能够实现抓斗的自动开闭斗、防漏,具有深挖控制功能,使双机在抓斗升降过程中均衡受力[4]。
安全保护装置齐全,工作安全可靠。各机构及运动构件均设有限位保护,包括有减速限位,终点限位和极限限位。电气系统通过各限位开关和 PLC 设有多重电气联锁。设有力矩限制器进行超载和超力矩保护。还应设有作业监视系统对主要作业和工作部位进行监控。
应设置紧急停车。在装卸货物操作运行过程中,设备出现异常情况或故障时,如果不能使系统停止,将导致设备损坏或事故。因此必须设置急停开关,当出现异常时,使整个系统立刻停止。
10吨塔式式起重机上应布置电气室,分别安装动力变压器和控制、照明专用变压器。供电电压为 380V,供电频率为 50Hz,供电方式为电缆卷筒。
第3章 变频调速系统的原理
3.1 交流异步电动机调速原理
根据异步电动机的转速表达式:
(3.1)
式中:——定子供电电源频率(Hz);
——异步电动机转差率;
——磁极对数。
由上式可以看出改变电动机电源的频率就会引起电动机参数的变化,电动机参数的变化同样会影响电动机的运行性能,因此想获得最佳的调速特性仅仅依靠改变供电电源的频率是不够得。而变频调速就是通过改变电动机的定子电压和定子频率来调节电动机的转速,从而获得所需要的调速特性。
通用变频器对异步电机调速时,输出频率和电压是按一定规律改变的,在额定频率以下,变频器的输出电压随输出频率升高而升高,即所谓变压变频调速(VVVF)。而在额定频率以上,电压并不变,只改变频率。
实际上多数变频调速场合是用于额定频率以下,低频时采用的补偿都是为了解决低频转矩的下降,其采用的方式多种多样。有矢量控制技术,直接转矩控制技术以及拟超导技术(森兰变频特有专利技术)等等。其作用不外乎动态地改变低频时的变频器输出电压、输出相位或输出频率,也就是利用电路和电脑技术,达到低速时力矩提升,并且稳定运行,又不至于电流太大而造成故障。
3.2 变频控制技术
这里控制技术是指专用变频控制技术,处理交流电机内部复杂的控制信号和控制变量力矩和速度的非线性关系。
3.2.1 v/f 控制(标量控制)
V/F控制中V/F等于恒定值,其基本思想的确是为了保证定子绕组的磁通保持恒定,但真正的磁通恒定是指定子端电压E与频率F的恒定值,只是在高转速下,V与E相当。而低速下由于漏感,阻值等电机参数的影响,V不能满足E,因此才有了电压补偿。无PG矢量控制模式中是对磁通进行观测,目的是对磁通进行直接控制,以满足磁通恒定。。
3.2.2矢量控制
矢量控制将定子电流矢量分解为两个电流分量,是基于直流电机的两个电流分量的控制,涉及到三相空间固定矢量到单相空间固定矢量再到直流旋转矢量的转换,其基本思想是将三相空间固定矢量转换到直流矢量,以控制直流电机的思想来实现交流电机的控制。转换公式及控制策略可以参考相关书籍。
3.3 变频调速控制方式的比较与选用
3.3.1 v/f 控制方式及开闭环控制的选择设定原则
一般的 v/f 型通用变频器,其数字、模拟给定分辨率分别可达 0.01Hz/0.04Hz。最高输出频率 120Hz~650Hz,可使用于标准异步电动机、磁阻电动机和恒磁同步电动机,变频范围 0.25kW~150kW。对电网的允许波动范围是:电压±15%,频率±6%。主要用于水泵、风机、运输传动等无动静态指标要求的场合。
3.3.2矢量控制方式及开闭环控制的选择设定原则
一般的矢量控制型通用变频器,其数字给定分辨率可达 0.001Hz,不带测速传感器时数字/模拟给定分辨率都能达到 0.001Hz。最高输入频率为 120~650Hz,可使用于标准异步电动机、紧凑型异步电动机、磁阻电机和恒磁同步电机,功率范围2.2kW~1500kW。对电网的允许波动范围是:电压±15%,频率±6%。主要用于纺织机网络、轧机主传动、压力机、升降机等动态指标要求比较高的场合[6]。
第4章 10吨塔式式起重机电气控制系统设计
4.1 电气传动方案的选择
由于散杂货码头生产货类复杂,现场作业环境恶劣,码头前沿使用的10吨塔式式起重机要求在不同的工作条件运行不同的速度,其目的是让起重机运行合理的速度以提高生产效率,确保作业现场安全。然而这种频繁的速度变换过程,若采用机械调速难以实现,实际中常对拖动电机进行变频调速。起重机控制系统调速分为两大类,即直流调速系统和交流调速系统,直流调速因具有直流电动机结构复杂,制造、维修成本高,保养困难等缺点,目前在大型起重机电气控制系统均采用交流变频调速方式。起重机控制系统采用的交流调速方式主要有绕线式异步电动机转子串电阻调速,能耗制动下降调速,涡流制动器调速,定子调压调速,变极调速及变频调速等,几种主要调速方式的优缺点及应用场合表 4-1 所示。
表4-1港口起重机常用交流调速方式对比表
调速方案 | 调速范围 | 低速运行时的效率 | 特点 | 适用负载 | 驱动机构 |
转子串电 阻调速 | 1:3 | 低 | 1.线路简单、成本低、易维修 2.调速性能差,无低速下降 3.不能长期低速运行 | 位能反抗 | 起升运行 |
能耗制动 调速 | 1:3~1:5 | 低 | 1.线路简单、成本低、易维修 2.重载下降能获得低速,上升无低速 3.直流电源因电机而异,无法标准 | 位能 | 起升 |
涡流制动 器调速 | 1:10 | 低 | 1.线路简单、成本低、易维修 2.速度有低速,但不能长时间低速运行 3.加大了系统 | 位能反抗 | 起升运行 |
定子调压 调速 | 1:10 | 低 | 1.线路复杂、成本高 2.若采用闭环控制能得到稳定低速范围 较大,能无级调速 | 位能反抗 | 起升运行 |
变频调速 | 1:100 | 高 | 1.速度可在整个调速范围内连续控制 2.有恒转矩性能,基频以上恒功率调速 3.性能最优,但需专用变频装置,成本高 | 位能反抗 | 起升运行 |
定子调压调速系统,采用转子回路切电阻及定子回路调电压相结合的方式,可以有较宽的调速范围,正反向由可控硅控制,反应灵活,但是由于该系统采用模拟线路控制,用分立从元件组合而成,硬件的可靠性差,而且需要测速发电机和转子电阻,系统复杂。在低速时能量消耗到电阻上,有一定的局限性。
表 4-1 中可以看出,交流变频调速控制方式与起重机其它调速方式相比,有显著的优点,变频调速的调速范围更广,可在整个调速范围内连续控制,开、闭环特性好,调速比可达 1:100 以上,调速精度±1%,调速平稳,负载突然变化时有极好的动态响应,可以长时间低速运行,控制得精度更高,节能效果显著,简化了电控系统,省去了电动机转子侧的大功率电阻、切换交流接触器和电动机正反转交流接触器,再加之系统传动所用变频电机属鼠笼式异步电动机类、成本相对低廉,维修少,因此变频调速是起重机最理想的交流调速方案,具有同直流传动一样的调速性能,性能价格比最高,比较适合港口起重机复杂的作业工况[7]。
4.2 变频调速的优点
采用变频调速和可编程控制技术控制10吨塔式起重机各系统,不仅可以明显提高10吨塔式起重机的安全性、可靠性,而且可以提高装卸效率,减少能源的消耗,降低维修费用和劳动强度。满足其工况及作业需要。其优点主要表现在以下6点[8]:
(1)明显改善钢结构性能。变频调速使起升、变幅、旋转、行走运行平稳,制动冲击小。
以上是毕业论文大纲或资料介绍,该课题完整毕业论文、开题报告、任务书、程序设计、图纸设计等资料请添加微信获取,微信号:bysjorg。
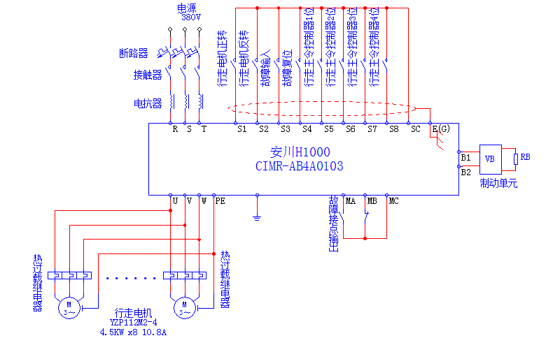
相关图片展示:







课题毕业论文、开题报告、任务书、外文翻译、程序设计、图纸设计等资料可联系客服协助查找。
