QFY750型自提升式风电维修起重机结构设计毕业论文
2020-04-08 13:26:57
摘 要
近年来,随着我国《可再生能源法》的实施,风电开发正在以前所未有的速度发展。目前,风力发电机组检修之前,一般采用大吨位汽车起重机进行拆卸,完成后再安装上去,作业效率低,起重机的租赁也大幅提高了风力发电机组的检修成本。如果将维修起重机固定安装在风力发电机上,则风电场的所有风力发电机组均需要配备一台,维修起重机利用率极低,也大幅提高了成本。因此,迫切需要研制一种安全高效、适应性强的专门针对风电维修的新型起重设备。
本文所描述的是一种全新设计理念的起重设备,通过抱塔方式实现起重机的固定,通过自提升滑轮组实现自提升,专门用于风电设备的维修。根据目前的市场情况,本文针对750kW 风力发电机组进行设计,主要工作如下:
(1)参考相关文献,针对国外先进机型的技术特点,分析了风电维修起重机的工作原理,确定了QFY750 风电维修起重机的主要结构形式。
(2)根据起重机设计规范和安全规程确定整机结构选型与主要技术参数。
(3)对关键结构进行静力学受力计算,如抱塔油缸预紧力计算、风载计算等。
(4)对塔筒进行承载能力的校核,分析塔筒在抱塔装置影响下受力及变形情况,保证塔筒的稳定性要求。
通过本文设计的QFY750 风电维修起重机产品,能够实现对风电场风机的快速故障维修和零部件更换,而且在成本方面远低于大吨位汽车起重机的施工成本。
关键词:起重机;风力发电机;风电维修;抱塔装置
Abstract
Wind energy is a kind of renewable and clean energy. In recent years, with the
implementation of Renewable Energy Law in China, the development of wind power is growing at an unprecedented speed.
During maintaining wind turbine generators, it often needs large tonnage cranes to install or disassemble the equipment.
With low efficiency, this pattern leads to high cost of maintenance due to the rental
expense of cranes. If the cranes used for equipment maintenance are installed on each wind turbine generators in wind farm, it would result in decreased efficiency greatly and increased the cost evidently. Therefore, it is urgent to develop one kind of safe and efficient lifting equipment adaptable for maintaining wind turbine generators.
In this paper, a new design concept of lifting equipment is described for maintaining wind turbine generators with holding tower device to fix crane, with self-lifting by pulley block.
According to the current market situation, the main researches based on 750kW wind turbine generators are given as follows:
(1) Analysing working principle of wind power maintenance crane, and determining the main structure form of QFY750 wind power maintenance crane by referencing related
literatures and combining with the technical features of foreign advanced equipment.
(2) Determining the main technical parameters of QFY750 wind power maintenance crane according to the design criteria and safety standards for crane.
(3) Carrying out static analysis on the key structure, such as holding tower cylinder
pre-tightening force calculation, wind load calculation, etc.
(4) Checking the bearing capacity and analyzing the stress and deformation of the tower under the influence of the holding tower device to ensure the stability of the tower.
This research shows that QFY750 wind power maintenance crane can realize the rapid maintenance and replacement of parts of wind turbine generators, and in terms of construction cost is far lower than the cost of large tonnage crane.
Key Words:Crane; Wind Turbines; Wind Power Maintenance; Holding Tower Device
目 录
摘 要...............................................................................................................................Ⅰ
Abstract..........................................................................................................................Ⅱ
第一章 绪论.....................................................................................................................1
1.1 风力发电机维修发展现状及趋势................................................................... 1
1.2 课题主要研究内容与技术难点........................................................................2
第二章 风电维修起重机总体计.....................................................................................3
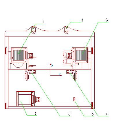
2.1 主要机构与结构组成........................................................................................4
2.1.1 起升系统.................................................................................................4
2.1.2 提升系统.................................................................................................5
2.1.3 抱塔装置.................................................................................................5
2.2 总体方案设计....................................................................................................6
2.2.1 起重机工作级别.....................................................................................6
2.2.2 起重机作业高度.....................................................................................8
2.2.3 额定起重量.............................................................................................9
2.3 主要结构受力计算...........................................................................................10
2.3.1 抱塔机构预紧力计算........................................................................... 10
2.3.2 铰耳受力计算....................................................................................... 13
2.3.3 风载计算................................................................................................16
第三章 工作平台结构设计与分析................................................................................18
3.1 工作平台结构...................................................................................................18
3.2 辅助起升工况计算...........................................................................................19
3.3 耳板及销轴强度计算.......................................................................................20
第四章 门架结构设计与分析........................................................................................22
4.1 门架底座设计...................................................................................................22
4.2 门架设计...........................................................................................................24
第五章 抱塔装置设计与分析 ......................................................................................25
5.1 抱塔装置的结构 .............................................................................................25
5.2 抱塔装置调整环结构 .....................................................................................26
5.3 风电塔筒承载受力分析...................................................................................27
结 论 ..............................................................................................................................29
参 考 文 献....................................................................................................................30
致 谢................................................................................................................................31
第一章 绪 论
1中国风力发电发展环境
在全面深化改革和经济新常态的背景下,电力“十三五”规划需要解决未来5年行业转型升级和体制改革的重大挑战。中国电力行业发展正处于大转型的关键时期。一方面,中国经济发展进入深度调整和转型阶段,全社会用电需求增速下降,传统火电发展遇到环境和消纳双重制约;另一方面,中国已经成为全球规模最大的风电和光伏市场,以光伏、风电为主的可再生能源仍将迅速发展。针对目前我国煤电产能过剩、清洁能源发展受限等问题,全国政协委员纷纷表示,我国有丰富的清洁能源待开发,必须改变过去以煤炭为主的化石能源结构,解决由此带来的大气环境污染问题。
“十三五”规划纲要明确提出要推动能源消费、供给、技术、体制四个方面的革命,到2020年非化石能源占一次能源消费比例达到15%。
对于风电来说,政策指引向中东部、南部发展将成为明显趋势,到2020年,中东部和南方地区陆上风电装机达到6000万千瓦。单一项目装机功率小,能够就近接入电网在当地利用的分散式风电更受到特别重视,计划到2020年,分散式风电装机超过1000万千瓦。
全国政协委员刘振亚在小组讨论中多次发言,他表示,我国目前电网中清洁能源的开发与配置相当失衡,长期对煤、油等化石能源依赖,这样的布局严重影响了电力高效协调的发展。我国水电资源还有两亿多吨没有开发,有了特高压技术,想在哪发电、传输都不是问题。
2风力发电机维修现状以及发展趋势
风力发电机组系统是一种将自然空气动能转换成电力能源的能量转换装备,一般由叶片、轮毂、传动机构(包括主轴承、传动轴、齿轮箱等)、发电机、逆变器、自动控制系统、塔架等子系统和子部件组成。风力吹动桨叶面,在叶片正反面产生压力差,这种压差使桨叶产生旋转,产生的力矩驱动专用发电机发电。风机的工作环境一般都很恶劣,常年在高温、严寒、雷雨的环境下运转,导致风力发电机组的零部件磨损、毁坏。人工可以维修的部分并不多,一般都要借助起重机械实行维修维护。目前大多采用全地面起重机进行风电吊装维修,其工作量和难度不小于安装一台新风电机组。随着风力发电机组大量装备,风电行业迅猛发展,对于风电吊装维护起重机数量与风电设备安装维修需求量不断加大。
我国风电开发利用得益于政策指引取得了极大的成就,风电装备安装到了大江南北,随之而来的风电设备的管理维护就需要进一步完善。按我国风力发电机组维修维护标准(DL/T797-2001)规定,风机维护检修周期为半年、一年、三年、五年。随着每年风电场装机容量的不断增大对风电维护起重设备的需求越来越高,市场强烈要求降低维修成本。
全地面起重机体积笨重,对场地要求高,且不易运输,其租赁费用至少在4 万元一个台班。而风力发电机通常建于山顶、湖边或人迹罕至的草场,大体量的维修设备难以开展维修作业。市场迫切需要小体量的易于运输、易于安装的风电维修起重机。
2课题主要研究内容与技术难点
本文所设计的风电维修起重机学习参考了维斯塔斯的风电维修起重机,并针对中国市场现状和已有的大量装备的金风750KW 风力发电机设备,进行针对性研究设计。运用本文所设计的风电维修起重机可以大幅降低风电维修成本,提高风电故障排除效率。
针对金风及类似的750kW 风力发电机的吊装维修作业作业状况,本文设计了一种自提升式风力发电机组维修平台,整机能满足750kW 及类似风机的日常维修维护作业需求。为了验证设计的正确性和运行的安全性,对起重机关键结构进行受力结构计算,根据计算分析结果优化结构,从而得出可靠、稳定、高效的风电维修起重机结构模型。为达到设计目标本文对以下几方面内容进行研究。
(1)查阅国内外相关文献,参考维斯塔斯的风电维修起重机,确定整机的结构形式以及重要机构的组成。
(2)以《GB/T3811-2008 起重机设计规范》为设计标准,确定主要技术参数,如工作级别、额定起重量、起升高度等。
以上是毕业论文大纲或资料介绍,该课题完整毕业论文、开题报告、任务书、程序设计、图纸设计等资料请添加微信获取,微信号:bysjorg。
相关图片展示:







课题毕业论文、开题报告、任务书、外文翻译、程序设计、图纸设计等资料可联系客服协助查找。
