年产100吨2-羟基查尔酮的生产工艺及车间设计毕业论文
2020-04-11 17:42:56
摘 要
为了降低2-羟基查尔酮的生产成本,提高市场竞争力,对2-羟基查尔酮的合成工艺进行改进,并且依据2010版GMP的要求,对生产车间进行完善改良设计。以1,3,5-三溴苯为原料,与甲醇钠和氯化亚铜在甲醇溶液中反应生成 1,3,5-三甲氧基苯,然后将1,3,5-三甲氧基苯与乙酰氯,在三氧化铝的催化下,室温反应 0.5~6 小时,生成 2,4,6-三甲氧基苯乙酮。最后用2,4,6-三甲氧基苯乙酮、2,4-二甲氧基苯甲醛在乙醇溶液中室温下搅拌 0.5 小时,滴加KOH 水溶液搅拌 6 小时,生成 2-羟基查耳酮。此合成方法副反应较少,且转化率高,适合进行工业化生产。
本文通过对当下药企行业的调查,查阅相关的法律法规以及设计规范,结合自身的专业知识,针对2-羟基查尔酮的生产工艺,设计符合规范的生产洁净厂房。
本设计内容主要包括2-羟基查尔酮的车间工艺设计,工艺路线论证,工艺流程设计,物料衡算、能量衡算,工艺设备选型,“三废”处理及其综合利用。并完成设计图纸,包括工艺流程图、生产车间总平面布置图、生产车间送风管道平面布置图、生产车间压差平面图和主要设备装配图等。设计结果对于我们现行药企的生产洁净厂房设计具有一定的参考意义。
关键词:2-羟基查尔酮;工艺改进 ;车间设计;
Abstract
In order to reduce the production cost of 2- hydroxyl chalcone and improve the competitiveness of the market, the synthesis process of 2- hydroxyl chalcone is improved, and the production workshop is improved and improved according to the requirements of the 2010 edition of GMP. With 1, 3, 5- three bromobenzene as raw material, 1, 3, 5- tri methoxy benzene was formed with sodium methoxide and cuprous chloride in methanol solution, then 1, 3, 5- trimethoxy benzene and acetyl chloride, catalyzed at room temperature for 0.5~6 hours under the catalysis of three alumina, to produce 2, 4, 6- trimethoxone. At last, 2, 4, 6- tri methoxy acetophenone, 2, 4- two methoxy benzaldehyde were stirred for 0.5 hours at room temperature in ethanol solution, and 2- hydroxy chalcone was generated by adding KOH aqueous solution for 6 hours. This synthetic method has fewer side reactions and high conversion rate, and is suitable for industrial production.
In this paper, through the investigation of the pharmaceutical industry, related laws and regulations and design standards, combined with their own professional knowledge, the production process of 2- hydroxyl chalcone is designed to meet the standard production clean factory.
The design includes the workshop process design of 2- hydroxy chalcone, process demonstration, process design, material balance, energy balance, selection of technology and equipment, treatment of "three wastes" and comprehensive utilization. And complete the design drawings, including process flow chart, production workshop general layout drawing, production workshop air supply pipeline plane layout, production workshop pressure difference plane and main equipment assembly drawings. The design results are of some reference significance to the design of clean workshop for our current pharmaceutical enterprises.
Key words: 2- hydroxychalcone; process improvement; workshop design;
目录
第一章 绪论 1
第二章 产品说明 2
2.1 产品名称 2
2.2 化学结构 2
2.3 理化性质 2
第三章 2-羟基查尔酮的合成 3
3.1 工艺步骤 3
3.1.1 1,3,5-三甲氧基苯的合成 3
3.1.2 2,4,6-三甲氧基苯乙酮的合成 3
3.1.3 2-羟基查尔酮的合成 4
3.2 设计条件 4
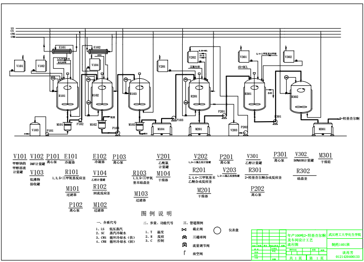
第四章 流程设计 6
4.1 工艺流程图图示 6
4.2 工艺流程图 6
第五章 物料衡算 7
5.1 生产要求 7
5.2 设计基础数据 7
5.3 操作工时与生产周期 8
5.4 物料衡算 8
5.4.1 2-羟基查尔酮的合成反应 9
5.4.2 2,4,6-三甲氧基苯乙酮的合成反应 10
5.4.3 1,3,5-三甲氧基苯的合成反应 11
第六章 能量衡算 13
6.1 设备的热量平衡方程式 13
6.2 过程热效应Q3的计算原理 13
6.3 能量衡算 14
6.3.1 比热容的计算 15
6.3.2 每步反应的能量计算 16
第七章 主要设备的选型与计算 23
7.1 计量罐 23
7.1.1 甲醇钠的甲醇溶液计量罐 23
7.1.2 DMF计量罐 23
7.1.3 1,2-二氯乙烷计量罐 23
7.1.4 乙酰氯计量罐 24
7.1.5 50%KOH溶液计量罐 24
7.1.6 乙醇计量罐 24
7.2 反应釜 24
7.2.1 1,3,5-三甲氧基苯的合成反应釜 24
7.2.2 活性炭回流反应釜 25
7.2.3 1,3,5-三甲氧基苯的结晶釜 25
7.2.4 2,4,6-三甲氧基苯乙酮的合成反应釜 26
7.2.5 2-羟基查尔酮的合成反应釜 26
7.2.6 2-羟基查尔酮的结晶釜 27
7.3 过滤器 27
7.4 湿物料干燥器 27
7.5 换热器 27
7.6 接收罐 28
第八章 非标准设备的选型与计算 29
8.1 筒体和封头型式 29
8.2 筒体和封头的直径 29
8.3 筒体高度 29
8.4 夹套直径 29
8.5 夹套高度 30
8.6 釜体及夹套的受力分析 30
8.7 夹套筒体壁厚 30
8.8 夹套封头厚度 30
8.9 釜的筒体壁厚 31
8.10 筒体封头壁厚 31
第九章 车间布置设计 32
第十章 劳动组织 34
10.1 总体人员配置 34
10.2 主要工段人员配置 34
10.2.1 合成工段 34
10.2.2 精制工段 34
第十一章 环境保护、三废处理及安全生产 35
11.1 环境保护 35
11.2 三废处理 35
11.3 安全生产 36
第十二章 总 结 38
参考文献 39
附录: 41
A 41
B 42
C 43
D 44
E 45
致谢 46
第一章 绪论
查尔酮作为合成黄酮类化合物的一种重要的中间体,在化工工业的许多方面得以广泛地应用。比如说,查耳酮氧化关环法合成黄酮是黄酮制备方法中一条常用的工艺,因此,如果利用此法合成出2-羟基查耳酮,接下来就能进一步合成黄酮,这无疑是为合成黄酮类物质开辟了一条崭新的道路[1-4]。查阅许多前人的研究可以得知,黄酮类化合物无毒无害,除了具有抗氧化、清除自由基等生物活性外,还可以抗癌、抗菌、抗病毒,有效地预防甚至治疗人类的肿瘤、心血管等疾病[5-8] 。
查耳酮的合成方法主要有碱性催化剂催化合成法[9]、酸性催化剂催化合成法[10]、金属有机化合物催化合成法[11]、金属化合物催化合成法、微波法[12]、超声波催化合成法[13]等。本设计准备分三步来合成2-羟基查尔酮,生成的中间产物分别为1,3,5-三甲氧基苯和2,4,6-三甲氧基苯乙酮。
如今的制药业,工艺技术日益提高,产品的安全性、有效性等要求也在不断提高,法律法规对于药企在各方面的要求更加全面、苛刻。面对整个制药环境的改变,从事于制药行业的技术、研发、管理人员应积极思考,勇于创新,为满足人们对药品质量不断提高的要求而不断努力。
本文通过对现行药企行业现状的调查,查阅调研制药行业的法律法规和设计规范,结合自身所学的专业知识,针对2-羟基查尔酮的生产工艺流程,设计符合行业规范的生产洁净厂房,并且完成厂房设计说明书,希望能为制药行业的厂房设计提供一定参考。
第二章 产品说明
2.1 产品名称
中文名:2-羟基查尔酮
化学名称: 1-(2-羟基苯基)-3-苯基-2-丙烯-1-酮;
二苯基丙烯酮
英文名:2'-HYDROXYCHALCONE
2.2 化学结构
结构式:

图2-1 二羟基查尔酮结构式
分子式:C15H12O2
2.3 理化性质
本品熔点为86-88 °C(lit.),密度为1.191±0.06 g/cm3 (
20 ºC 760 Torr)的黄色针状结晶。
第三章 2-羟基查尔酮的合成
3.1 工艺步骤
3.1.1 1,3,5-三甲氧基苯的合成
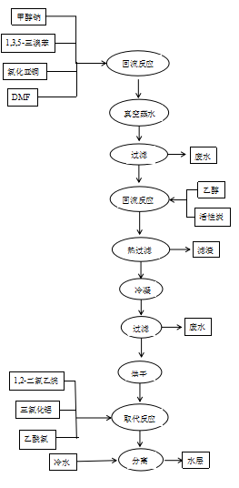
向盛有甲醇钠的甲醇溶液、二甲基甲酰胺(DMF)混合溶液的圆底烧瓶中加入1,3,5-三溴苯(固)和氯化亚铜,加热回流大约10个小时,反应结束后冷却过滤,将滤饼倒入盛有乙醇的圆底烧瓶中并加入一定量的活性炭回流。3小时后趁热滤去无机杂质和活性炭,取滤液冷凝,冷凝后得到纯的 1,3,5-三甲氧基苯,烘干物料[14]。反应方程式如下:

图3-1 1,3,5-三甲氧基苯合成反应方程式
3.1.2 2,4,6-三甲氧基苯乙酮的合成
向盛有1,2-二氯乙烷和三氯化铝混合物的烧杯中滴加乙酰氯,在 40 ℃条件下搅拌,固体消失后向上述溶液中加入1,3,5-三甲氧基苯的 1,2-二氯乙烷溶液。在 40 ℃下搅拌使其均匀反应,反应结束后加入冷水,分离有机层,用 0.5 mol/L HCl并水洗涤有机层。然后取精制有机层在真空中蒸干得到 2,4,6-三甲氧基苯乙酮。注:1,3,5-三甲基苯:乙酰氯= 1∶1.05 ,反应收率为 92 %[14]。反应方程式如下:

3
图3-2 2,4,6-三甲氧基苯乙酮合成反应方程式
3.1.3 2-羟基查尔酮的合成
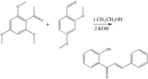
在盛有乙醇溶液的烧杯中加入 2,4,6-三甲氧基苯乙酮和 2,4-二甲氧基苯甲醛,在室温下搅拌大约 0.5 h。然后滴加50 % KOH溶液,并在室温下搅拌约6 小时。反应结束后加入4mol/L HCl 溶液,分离出有机层。取有机层蒸发结晶,得到2-羟基查耳酮,放入真空干燥箱中干燥。反应条件为:大量的乙醇溶液;2,4,6-三甲氧基苯乙酮:2,4-二甲氧基苯甲醛=1∶1;2,4,6-三甲氧基苯乙酮:50 %的 KOH = 1∶4,反应收率为 96 %[14]。反应方程式如下:

以上是毕业论文大纲或资料介绍,该课题完整毕业论文、开题报告、任务书、程序设计、图纸设计等资料请添加微信获取,微信号:bysjorg。
相关图片展示:







课题毕业论文、开题报告、任务书、外文翻译、程序设计、图纸设计等资料可联系客服协助查找。
