基于分压原理的高压电磁兼容探头设计毕业论文
2020-04-12 15:58:35
摘 要
本论文针对高电压、大电流系统的电磁干扰测量问题,研究了现有低压测量系统在设备端口电源线上传导骚扰电压测量中的适应性及问题,针对线路阻抗稳定网络(LISN)只能从电源吸收有限的电流这一问题,提出采用电压探头代替LISN的测量方案。
研究了分立式电压探头的基本工作原理,设计了分立式电压探头,并借助阻抗分析仪提取了寄生参数,考虑寄生参数的影响,建立高频电路模型,研究了分立式电压探头的工作性能。设计了基于同轴型结构的耦合式电容分压探头,借助电磁场有限元仿真软件Maxwell进行仿真分析,并考虑寄生参数的影响,研究了耦合式电容分压探头的工作性能。结合仿真和实验结果进行分析和总结,为设计适合于高电压、大电流系统设备端口骚扰电压测量的电压探头提供参考。
关键词: 传导干扰;分立式电压探头;高频电路模型;电容分压器;有限元仿真
Abstract
Aiming at the electromagnetic interference measurement problem of high voltage and high current system, this paper studied the adaptability and problems of the existing low voltage measurement system in measuring the conduction disturbance voltage on the power line of the equipment port. Because the line impedance stabilization network (LISN) can only absorb the limited current from the power supply, this paper put forward the measurement scheme of using voltage probe instead of LISN.
The basic working principle of the split-type voltage probe was studied, the split-type voltage probe was designed, parasitic parameters were extracted by means of impedance analyzer, the high frequency circuit model was established considering the influence of parasitic parameters, and the working performance of the split-type voltage probe was studied. A coupled capacitive partial pressure probe based on coaxial structure was designed. the electromagnetic field finite element simulation software Maxwell was used to carry out simulation analysis. Considering the influence of parasitic parameters, the working performance of the coupled capacitive partial pressure probe was studied. The analysis and summary of the simulation and experimental results can provide a reference for designing a voltage probe suitable for measuring the port disturbance voltage of high-voltage and high-current systems.
Keywords: conducting disturbance; split-type voltage probe; high frequency circuit model; capacitor divider; finite element simulation
目 录
摘 要 I
Abstract II
第1章 绪论 1
1.1高电压传导干扰测量的研究背景及意义 1
1.2国内外对高压探头在传导干扰测量中的应用的研究现状 2
1.3本论文的主要工作 3
第2章 传导骚扰电压测量方案研究 4
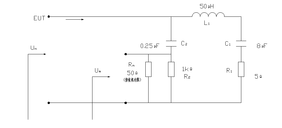
2.1低压系统电源线传导骚扰电压测量 4
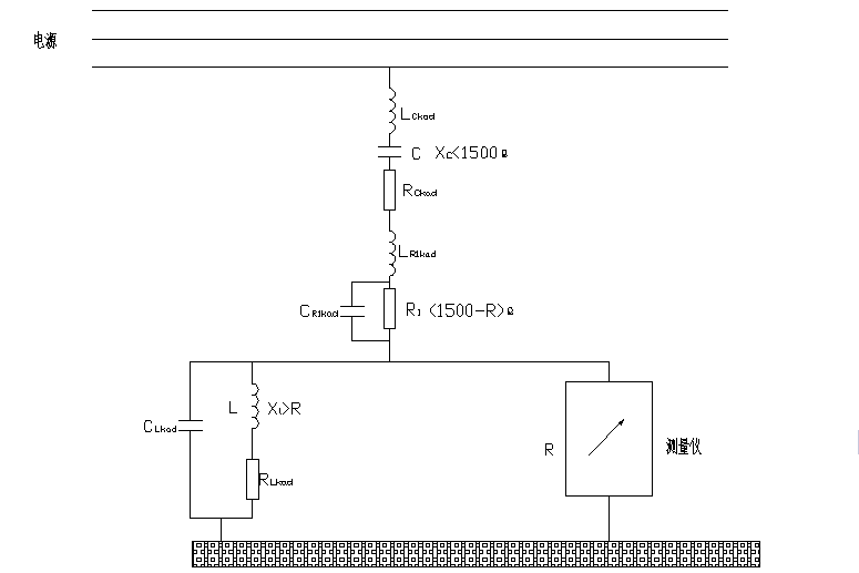
2.2 中压电力系统电源线传导骚扰电压测量方案研究 5
2.3 高压探头的设计要求 6
2.4 本章小结 7
第3章 分立式电压探头的高频性能研究 8
3.1 分立式电压探头的设计 8
3.1.1 分立式电压探头的基本原理 8
3.1.2 电压探头的参数设计 8
3.2 电压探头的修正系数 9
3.2.1 LISN的修正系数 9
3.2.2 电压探头的修正系数 11
3.3 考虑寄生参数影响的电压探头高频性能研究 12
3.3.1 电阻、电感及电容的高频模型 12
3.3.2 测量电路的高频模型 14
3.3.3 寄生参数的获取 15
3.3.3 电压探头的高频性能研究 18
3.4 本章小结 19
第4章 耦合式电容分压器的设计及仿真研究 20
4.1 电容分压器的基本原理 20
4.2 同轴型电容分压器原理及模型仿真研究 21
4.2.1 同轴型电容分压器的基本原理 21
4.2.2 电磁场边值问题分析基本理论与求解方法 22
4.2.3 Maxwell软件功能介绍 23
4.2.4 同轴型电容分压器的仿真及性能研究 24
4.3 耦合式电容分压器的响应特性分析 28
4.4 本章小结 30
第5章 结论与展望 31
5.1 结论 31
5.2 展望 31
参考文献 33
附 录 35
致 谢 40
第1章 绪论
1.1高电压传导干扰测量的研究背景及意义
电磁兼容(EMC)概念的提出至今已有70余载,其目的就是解决电磁干扰(EMI)影响系统或设备可靠运行的问题[1-2]。随着电磁能的广泛应用,电磁兼容已经发展成为一门新兴的综合性边缘学科,EMC已经深入到各个领域之中,对EMC问题的深入研究是尤为重要的[3-4]。在EMC研究中,电磁兼容测量技术的研究更是重中之重,为系统或设备采取预防措施或制定安全规范等提供重要依据和参考[5-6]。
高电压技术发展迅速,高压电磁测量技术在电力系统中得到越来越广泛的应用,对现有测量系统及标准提出了新要求。本文针对高电压、大电流系统,其电压高达数千伏到十几千伏,电流高达数千安,对接于该电力系统的二次设备而言,设备端口产生的骚扰电压沿着电源线传播至电网,对电力系统造成干扰。因此,有必要研制出能可靠测量高电压、大电流系统的二次设备端口电磁骚扰的测量系统[7]。现有的数字示波器只能满足幅值在3kV左右的电压测量任务,达不到系统的电压等级,并且,对于现有的CISPR 22和GJB151B中规定的比较成熟完善的测量系统而言,其关键设备LISN(线路阻抗稳定网络)由于受电流、电压限值的约束,也无法直接用于高电压、大电流系统的骚扰电压测量之中。因此,针对电力系统的高电压、大电流的特点,研究适用于高电压、大电流系统电源线传导骚扰电压测量的电磁兼容探头是很有意义的。
由上述可知,高压探头的作用主要是通过分压原理将难以直接测量的高压信号转换为现有测量设备可以测量的低压信号,其实质是测量系统中的分压器,它的性能好坏决定了测量结果的精确性。高压探头作为一种电压信号的转换器,其基本原理就是将高压信号按一定比例衰减成低压信号,由高压臂和低压臂构成,高压臂端接被测量的高压信号,低压臂端接测量装置,如示波器[8]。按工作原理进行分类,分压器有如下3种类型:
1)电阻型分压器。利用电阻分压原理,一般由两个电阻串联构成,结构简单,工作于低频率条件下时,分压比稳定,测量结果精确;工作于高频率条件下时,由于电阻分压器自身及系统接线情况的原因,寄生参数的影响较大,此时,分压比不再稳定,测量波形也会产生畸变,测量结果不够准确[9]。
2)阻容型分压器。按接线方式进行细分,又可分为有并联式阻容型分压器和串联式阻容型分压器两种。一般的阻容型分压器采用的是电阻电容串联方式进行分压,由于所用元件既有电阻和电容,因而阻容型分压器的低频性能和高频性能都比较良好,但是结构复杂,分压器的电阻和电容参数匹配难度大[9]。
3)电容型分压器。其结构同电阻型分压器类似,结构简单,常用于高频信号测量,但是,电容型分压器由于自身结构、元器件等特点,在高频条件下,其寄生参数产生的影响也不容忽视,因此电容型分压器直接用于高频电压信号的测量也会受到许多条件和环境因素的限制[9]。
本文着重分析了现有测量系统和测量设备在中压电力系统二次设备端口电源线上的传导骚扰电压的测量的适应性及存在的问题,并针对存在的问题,对分立式分压探头和耦合式电容型分压探头结构特性、工作原理、工作性能等方面,通过理论计算、相关仿真软件和实验平台测量方法进行分析,为高压电磁兼容探头的设计提供有效参考。
1.2国内外对高压探头在传导干扰测量中的应用的研究现状
想要测量高电压设备端口电源线上产生的传导骚扰电压,就必须考虑骚扰电压信号的特点。骚扰电压信号特点是:电压幅值高、高频成分多(分布在几兆赫兹到十几兆赫兹,甚至高达上百兆赫兹)、上升时间短(可至数纳秒)、持续时间长(可达数百毫秒)[10]。被测骚扰电压信号特点决定了:对测量结果产生影响的因素,骚扰电压的测量系统要比工频或常规条件下高电压信号的测量系统考虑的更多,比如:测量系统回路中的连接高压发生装置与分压器之间的高压引线产生的干扰、分压器自身结构特点产生的影响、系统接线方式、设备部件匹配、系统实际布局等。因此,用于测量高电压设备端口电源线上产生的传导骚扰电压的测量系统应能够适应上述被测骚扰电压的特点并且具有一定的稳定性和精确度。
所以,针对上述高电压设备端口电源线上产生的传导骚扰电压信号测量系统的特点,对提高骚扰电压信号测量系统的稳定性和精确度进行研究是很有必要的,国内外对此做了长期的研究并取得了一定的成果。用于测量GIS变电站二次设备端口骚扰电压的阻容型高压探头已在某1000kV特高压GIS变电站得到了应用[10]。国外杜伊斯堡-埃森大学已经开发了带有嵌入式电容分压探头的极低电感连接器的组合系统,降低了连接器的寄生电感,使测量系统适合于快速的暂态信号的测量,缺点是该测量系统在实际测量时受测试场合的影响而需改变探头的尺寸,灵活性欠缺[11]。在电磁场源方面,研究设计了一种用于电磁兼容测试质量保证的紧凑、宽带、可计算的电磁场源,可提供给测试设备使用[12]。在汽车电力传动方面,因为准确测定其效率是非常重要的,这需要高精度的电压探头来测量变频器的电压,而现有的探头不能满足要求,针对这一问题,提出了一种差分电压探头来满足该要求并且提高测量精度[13]。关于提高电容式电压探头在无预校准情况下测量精度的研究,提出了电容电压探头(CVP)的标定方法,当内导体与外导体之间的电容改变时,由输出电平偏差估算CVP的转换因子,研究结果表明,估计值与实测值的偏差在1dB以内。用CVP法测量了被测设备的扰动,并与阻抗稳定网络(ISN)的测量值进行了比较,该系统采用锁相放大器和频谱分析仪对微弱信号水平下的电平偏差进行测量。结果表明,CVP与ISN的平均电平偏差在1dB以内,这意味着该方法可以用于CVP的标定,而无需进行预校准[14]。对于一些特殊的测试场合,高压测量方法也会有相应的特殊之处,例如,采取感应式测量方法而不用高压互感器这种需与高压线路接触的方法来检测高压线路电压,其与高压线路无接触,可在安全距离之外进行测量,具有安装方便、安全可靠、可不停电检修以减少停电损失的特点[15]。对与高电压传导干扰测量技术,未来发展趋势应该是趋于测量设备的统一性及可重复性,有相应的电磁兼容标准,测量精度越来越高。
以上是毕业论文大纲或资料介绍,该课题完整毕业论文、开题报告、任务书、程序设计、图纸设计等资料请添加微信获取,微信号:bysjorg。
相关图片展示:







课题毕业论文、开题报告、任务书、外文翻译、程序设计、图纸设计等资料可联系客服协助查找。
