多类型信号收发与存储模块的设计毕业论文
2020-04-12 15:59:44
摘 要
桥梁结构的变化会改变结构的内力。而桥梁形变程度是结构安全检测的一个重要指标,如何测量这一重要的指标是现代工程领域的一大技术难点。在线性测量的主要传统手段中,往往需要搭建一个控制系统来用于测量过程的整体把控,这使得传统方法的测量周期长,而且如连接管道、倾角仪这类“点式”测量控制系统的搭建实现成本过高、施工安全性低下、检测进度缓慢,和现代工程对精度、安全度的要求相违背,而且很难捕捉到桥梁在负载情况下的最大形变位置。
本文首先介绍了光纤陀螺仪的工作原理以及优势,针对项目的要求,决定采用STM32来设计信号的收发和存储模块。
为了实现大跨度桥梁线形快速、高效检测,分析了桥梁连续线性检测的独特特性。基于光纤陀螺的角速度灵敏度,提出了一种连续的线性测量、校正和校准方法。用STM32单片机作为媒介,对测量的信号进行收发和存储,与上位机进行连接。
结果表明,用STM32可以有效的采集、收发和存储所得信号,而且可以同时对多种类型、多通道的信号同时进行处理。采用的STM32单片机能够有效的实现数据的收发与存储功能。
关键词:光纤陀螺;桥梁;形变检测;STM32
Abstract
The alignment of bridge structure can change the internal force of the structure, and is intuitive and easy to handle. It is an important index for structural safety detection. In the main means of linear measurement, the leveling system needs to set up the control network, the test cycle is long, other methods such as the connection pipe, GPS, the inclinometer and so on, the implementation cost is high, the detection precision is low, and the above methods are all "point type" measurement. The potential disease in the undistributed area is easily drowned by the finite point fitting line shape, and it is not easy to capture the bridge. The actual maximum deformation position is difficult to meet the requirement of rapid detection of loading in the loading test of long-span bridges.
This paper first introduces the working principle and advantages of the fiber optic gyroscope, and decides to design and transmit the transceiver module based on STM32.
In order to realize the fast and efficient test of long span bridge line shape, this study analyzes the unique characteristic of continuous linear test of bridge. Using the characteristics of optical fiber gyroscope's diagonal velocity sensitivity, a continuous linear measurement process, test, correction and calibration method are put forward. STM32 microcontroller is used as a medium to transmit and store the measured signals and connect them with the upper computer.
The research results show that the continuous linear measurement method of large span bridges based on fiber optic gyroscope is studied in view of the precondition of fiber optic gyroscope used in continuous linear test of bridge. The measuring system developed can realize continuous and fast detection of the alignment of the bridge structure and locate the maximum deformation position of the bridge span. The STM32 MCU can effectively realize the function of data receiving and storage.
Key Words:fiber optic gyroscope; bridge; deformation detection; STM32
目录
摘要 I
Abstract II
第一章 绪论 1
1.1 课题研究背景、目的及意义 1
1.2 国内外研究现状 1
1.3 本文研究内容 2
第二章 外围硬件设计 3
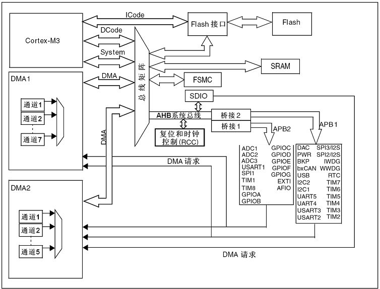
2.1 结构框图 3
2.2 GPIO 4
2.2.1 GPIO四种输入方式 5
2.2.1 GPIO四种输出方式 6
2.3 串口通信(USART) 6
2.4 DMA模块 7
2.5 ADC模块 8
2.5.1 ADC主要技术指标 9
2.6 定时器设计 9
第三章 各模块参数设置 11
3.1 程序流程图 11
3.2 串口设置 11
3.2.1 GPIO的初始化 12
3.2.2 串口的初始化 12
3.3 DMA设置 13
3.4 ADC设置 15
3.4.1 GPIO的初始化 15
3.4.2 ADC的初始化 15
第四章 实验数据及分析 18
4.1 实验数据 18
4.2 分析 19
第五章 结论及展望 21
5.1 结论 21
5.2 展望 21
致谢 22
参考文献 23
第一章 绪论
1.1 课题研究背景、目的及意义
为了实现大跨度桥梁结构线形的快速检测和桥梁最大变形位置的定位,采用基于光纤陀螺的连续轨道测量技术对桥梁形变位置检测技术进行研究。在光纤陀螺传感技术的基础上,分析了连续线检测的前提和基本原理。推导连续直线轨迹的计算公式,提出了线形检测流程及对测试结果的修正与标定方法,并测试了比例模型桥的形变。
光纤陀螺用于结构形变测量的优点有如下几点:
- 它只需要以测量的起始点作为参考点,不需要寻找另一个参考点。特别适用于难以确定基准点的测量项目;
- 光纤陀螺仪安装起来特别简单,不需要特别复杂的安装装置;
- 可以用小车等装置搭载光纤陀螺仪,这样测量装置方便移动,就可以应用于距离很长的大型测量工程;
- 由于光纤陀螺仪可以全方位360°的进行测量,所以测量系统不仅可以测量一维物体表面的形变,还可以对二维平面或者三维立体空间的形变进行测量,这样就满足了一些高难度测量工程的要求。
本文主要是基于光纤陀螺仪和STM32进行的一个多类型信号收发与存储模块的设计,开发了一款可以对双轴陀螺仪输出信号进行接收处理、行走小车编码盘脉冲计数、位置传感器检测、数据存储以及外界温度监测等功能的多类型信号收发与存储模块,并且结合无线传输模块可以将以上各参数实时地传输给上位机。
1.2 国内外研究现状
光纤陀螺灵具有敏度高、稳定性好、无电磁干扰的优点,由于它功能强大,它的应用领域逐渐扩展到大地测量、工程结构检测、车辆导航等测量领域。随着我过经济的逐步发展,对工程检测准确性的要求不断提高,如何提高工程领域测量的精度和效率的问题被提上了日程。在工程领域的测量中形变测量是一个非常重要的方面。传统的测量方法虽然在测量成本等某些方面仍具有很大的优势,但随着人类对自然界的不断探索,传统的测量方法的局限性使得传统方法面临着巨大的挑战。对于大坝坝体形变的检测,传统的测量方法大致可分为外部观测和内部观测这两个大类。外部观测主要对位置或位移的相对于时间的变化率的测量,即确定测量点在一定时间内的空间位置或位移,监测大坝在一定环境下大坝本身或者周围坝体的变化相对于当地时间的变化率。利用这种方法测量一定时间内大坝两侧的边坡稳定性,来对其进行观测;同样也可以用来对大坝上游和下游的滑坡监测等。内部测量则是利用倾角仪监测大坝的水平位移和垂直沉降变形。这就需要选择一些基准点作为参考,通常情况下选择不受坝体周围环境影响的点作为参考点,这种方法存在测量基准点不易确定的缺点,如果测量的基准点选的不够科学或者不够具有普遍性就不能实现对坝体形变进行连续精确的监测。对于水下管道的变形检测,由于距离长、安装难度大、工作环境恶劣,这些方面限制了传统的测量方法只能在水下管道外进行,但是如果只选择几个关键位置进行检测,会使得测量效果不好。如上两个例子所说的传统方法具有很大的局限性。所以长期以来,人们一直在寻找一种高精度、可靠、易于实现的方法来克服传统方法的不足。光纤陀螺技术的不断成熟,使得基于光纤陀螺的工程形变测量方法开始被研究。光纤陀螺仪可以解决工程应用中的技术问题,光纤陀螺仪不需要选择基准点,只要以测量起点作为参考点就可以实现连续测量,特别适用于难以确定参考点的工程结构测量。光纤陀螺仪的测量方法相对于传统工程测量方法有着不可比拟的优势,这就使得对光纤陀螺仪在工程领域的测量方法具有非常重要的意义。
1.3 本文研究内容
本文研究的主要内容是设计出一款基于STM32的模拟信号采集、收发与存储系统,由于STM32开发板功能强大,有多个用于采集模拟信号的ADC模块, 具有强大的数据处理能力,能够将采集的信号进行存储或发送,所以决定采用STM32为核心板来设计这个系统。模拟信号主要由信号发生器来产生两个电压信号,通过ADC模块的处理变成数字信号,再通过STM32开发板将数据处理,传输。
第一章,查阅国内外文献,了解光纤陀螺技术的发展历史与研究现状,比较该技术在工程结构形变测量领域相对于传统测量方法有哪些优点和缺点,根据目前的研究现状明确本次课题的主要工作。根据目前测量工具的现状,决定设计一款采集模拟信号的收发存储模块。
以上是毕业论文大纲或资料介绍,该课题完整毕业论文、开题报告、任务书、程序设计、图纸设计等资料请添加微信获取,微信号:bysjorg。
相关图片展示:






课题毕业论文、开题报告、任务书、外文翻译、程序设计、图纸设计等资料可联系客服协助查找。
