飞行模拟器运动控制系统设计毕业论文
2020-04-12 16:18:48
摘 要
本文主要研究的背景是720度飞行模拟器即X轴加Y轴的360度全方位转动,在硬件结构和软件制上实现它的运动控制。本次设计的飞行模拟器是一种游戏性质的模拟器,主要通过计算机显示和控制其运动,由两台伺服电机带动两根负载轴旋转完成二自由度的旋转运动。这是一种商业娱乐化的模拟器,所以在环境和感觉上肯定比不上真正的飞行模拟器,但是在一定程度上可以帮助普通人体验到操控飞机的感受,为人们带来娱乐也能一定程度上推动市场经济的发展。
本次课题研究了720度的二轴旋转运动的实现和控制,基本的任务是对主要器件的选型设计、主要结构的接线、运动控制基础软件的编写。
本次设计的主要实现方式是采用计算机对运动控制器的控制,然后运动控制器再将运动控制信号传给伺服电机驱动器,实现电机带动负载轴的运动,计算机和运动控制器有着强大的计算和存储信息的能力,能够精确的处理和发送信息,再加上现阶段的伺服电机驱动的强大控制和执行能力,这些大大提高了系统的可靠性。
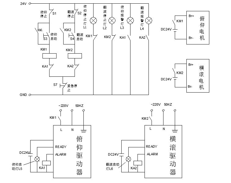
在硬件设计方面的主要任务包括电机和电机驱动器、运动控制器、位置检测装置的选型,它们的接线和CAN、RS232通信说明和基本控制回路的设计,通过位置检测装置反馈给驱动器控制器来实现对电机的转动控制从而实现飞行模拟器的位置速度控制,设计的控制回路主要是用来实现机器的启动停止以及报警制动等功能。在软件设计的方面主要是涉及运动控制器的程序的编写,通过调用动态链接库基本函数和正反解算法、体感算法等来对控制器进行编程。
关键词:飞行模拟器;伺服驱动;运动控制器;动态链接库
Abstract
The main research background of this paper is 720 degree flight simulator, which is the 360 degree rotation of X axis plus Y axis, and realizes its motion control in hardware structure and software system. The flight simulator designed in this paper is a kind of game simulator. The motion of the simulator is mainly displayed and controlled by computer. Two servo motors drive two load axes to rotate to complete the rotation of two degrees of freedom. This is a commercial entertainment simulator, so it's certainly not as good as a real flight simulator in terms of environment and feel, but it can help ordinary people experience how they operate an airplane to some extent. Bringing entertainment to people can also be promoted to a certain extent. The development of market economy.
In this paper, the realization and control of the 720-degree two-axis rotation motion are studied. The basic task is to design the main devices, connect the main structures and write the basic software for motion control.
The main way of this design is to use the computer to control the motion controller, and then the motion controller sends the motion control signal to the servo motor driver to realize the movement of the motor driving the load shaft. The computer and motion controller have the powerful ability to calculate and store the information, can process and send the information accurately, and the powerful control and execution ability of the servo motor drive at the present stage, which greatly improves the reliability of the system.
The main tasks in hardware design include motor and motor drives, motion controllers, selection of position detection devices, their connection and CNC, RS232 communication instructions and the design of basic control circuits. The position detection device is fed back to the drive controller to realize the rotation control of the motor so as to realize the flight simulator's position. The design of the control circuit is mainly used to realize the function of starting and stopping of the machine and the alarm and braking. In the software design, the program is mainly involved in the programming of the motion controller. By calling the basic function of the dynamic link library, the positive and negative solution algorithm, the body sensing method and so on, the controller is used to control the controller and programming.
Keywords: flight simulator; servo drive; motion controller; dynamic link library
目录
第1章 绪论 1
1.1目的和意义 1
1.2国内外发展现状 1
1.2.1 国外飞行模拟器的现状 1
1.2.2 国内飞行模拟器的现状 1
1.3发展趋势 2
1.4用户需求分析 3
1.5本文所做工作 3
第2章720度飞行模拟器总体设计 4
2.1系统功能与技术指标 4
2.2系统的组成和总体设计方案 5
2.3 驱动方案设计 6
2.3.1 驱动方案的概述 7
2.3.2 电机和驱动器的选型 7
2.3.3 减速装置 8
2.3.4 电机功率的校核 10
2.4位置检测组件 13
2.4.1 光电编码器 14
2.5本章小结 15
第3章 系统硬件结构设计 16
3.1 运动控制器 16
3.2 运动控制模式 17
3.2.1 位置脉冲/方向指令输入端口的结构 19
3.2.2 用户IO的结构 19
3.3 电机、编码器和驱动器的连接 19
3.4 驱动器和运动控制器的连接 20
3.5 通信模块 21
3.5.1 CAN总线通信 21
3.5.2 RS232/RS485通信 22
3.6 电气控制回路 23
3.7 本章小结 24
第4章 控制系统的设计 25
4.1 动态链接库的概述 25
4.2 参数 26
4.3 函数 28
4.4 对控制器的编程手册进行深入的了解 29
第5章 以太网通讯的调试 30
5.1 以太网通讯的基本框架 30
5.2 以太网通讯的调试 30
5.2.1 PING连接调试 30
5.2.2 TCP调试助手调试 33
5.2.3 Wireshark抓包 34
5.3 通讯软件 35
第6章 经济性和环保性分析 36
结论 37
参考文献 38
致谢 39
附录 电气原理图和接线图
第1章 绪论
1.1目的和意义
目的:对飞行模拟器的硬件结构、控制系统、功能模块和软件进行研究和设计,设计出720度飞行模拟器的结构框架、合适的硬件和适用的软件模块。
意义:飞行模拟器顾名思义就是能够模拟飞机飞行的一种工具,它可以模拟飞机的体感环境或者操作上的部分或者全部的要求。在军事上它可以为训练的人员在操作技术、战术训练或者射击训练等基础上进行复杂系统的专项模拟训练,还能因为其优秀的飞行仿真性能、动感模拟、视景模拟、声音模拟、甚至对环境的模拟,使其在一些娱乐场合也广泛应用,使用户体验到开飞机一样的感受。
由于飞行模拟器能为飞行员提供安全可靠的训练环境,而且维修保养较真正的飞机来说便宜了好几个档次,出于安全和经济性,现在航空部门都很重视飞行模拟器的发展,如何使飞行模拟器更逼真是许多部门一直在研究的课题。另一方面,由于人们对新鲜事物的好奇感,许多小型飞行模拟器投入市场或者作为游乐设备获取经济利益,使得寻常人家也能体验到飞行的乐趣和刺激。
1.2国内外发展现状
以上是毕业论文大纲或资料介绍,该课题完整毕业论文、开题报告、任务书、程序设计、图纸设计等资料请添加微信获取,微信号:bysjorg。
相关图片展示:







课题毕业论文、开题报告、任务书、外文翻译、程序设计、图纸设计等资料可联系客服协助查找。
